Philips HF-R 258 TL-D EII 220-240V
Waarom kan ik geen beschikbaarheid of prijzen zien?
Je kunt de beschikbaarheid en onze lage prijzen alleen zien als je inlogt. Je kunt wel ons assortiment verkennen. Nog geen klant? Vraag jouw account aan door te registreren.
Specificaties
Reset
Algemene informatie
|
i
De aanbevolen hoeveelheid verwijst naar het aantal producten dat door de fabrikant is voorverpakt. Wanneer je deze hoeveelheid koopt, leveren wij de producten in het originele pakket van de fabrikant.
|
Aanbevolen aantal | 12 |
|---|
Algemene informatie
| Artikelnummer | 150126 | |
|---|---|---|
| EAN | 8711500910196 | |
| EOC FR | 910196 | |
| Merk | Philips | |
| Fabrikantnaam | HF-R 258 TL-D EII 220-240V 50/60Hz | |
|
i
Iedere lamp of armatuur is voorzien van energielabel A t/m G. Energielabel A is het meest efficiënt en G het minst efficiënt. LED verlichting is de meest duurzame verlichtingstechniek. Zelfs als LED's label E of lager hebben, besparen ze nog 70% aan energie ten opzichte van conventionele verlichting met hetzelfde energielabel. Dus waarom hetzelfde label? Om LED merken te motiveren nog duurzamer te worden. |
Energielabel | A |
|
i
De levensduur is een indicatie van het aantal uur dat een product mee gaat. Het gaat hierbij alleen om de uren dat het product daadwerkelijk aan staat. Bij LED verlichting ligt de levensduur aanzienlijk hoger dan bij conventionele verlichting. LED verlichting gaat dus veel langer mee. Hoe lang je een product daadwerkelijk kunt gebruiken, ligt aan de mate van het (dagelijks) gebruik.
|
Levensduur (uur) | 0 |
|
i
Onze All-in garantie is volledig in de productprijs inbegrepen en dekt zowel verborgen gebreken als technische gebreken van het product die zijn opgetreden vóór levering. De garantietermijn verschilt per product en loopt uiteen van 1 jaar tot maximaal 7 jaar.
|
Garantie | 1 jaar |
Technische Informatie
|
i
De techniek geeft de werkingsbasis van een lichtbron aan. Het meest bekende en energiezuinige voorbeeld hiervan is LED. Andere technieken zijn onder andere halogeen, gasontlading, TL (fluorescerend) en de gloeilamp.
|
Technologie | Accessory |
|---|---|---|
|
i
Het wattage geeft weer hoeveel energie een LED lamp, LED armatuur of conventionele lichtbron verbruikt tijdens het verlichten. Bij LED verlichting is het aantal Watt aanzienlijk lager dan bij conventionele verlichting.
|
Wattage | 0 |
|
i
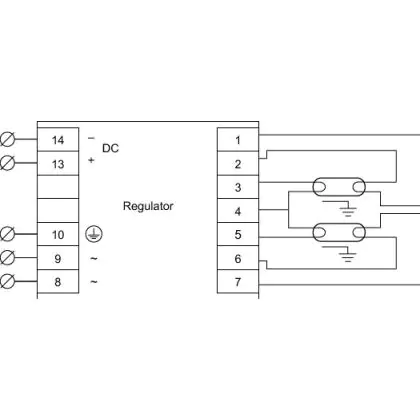
Een voorschakelapparaat (VSA) wordt ook wel ballast genoemd en kun je zien als een energieregulator die verlichting laat branden. Zit er een starter in het armatuur? Dan is er sprake van een conventioneel VSA (EM). In armaturen met een elektronisch VSA (HF) is geen starter aanwezig. Een LED driver kun je vergelijken met een elektronisch VSA en werkt alleen bij LED verlichting.
|
Voorschakelapparaat | Elektronisch (HF) zonder starter |
| VSA voor lamptype | TL-D | |
| Geschikt voor lamptype | TL-D | |
| Maximale Wattage Lamp | 58 | |
| Armatuur Aansluiting | Wago 251 | |
| Type assesoires | Ballast | |
| Aantal benodigde lampen | 2 |
Sensor Informatie
|
i
Verlichting met een sensor brandt enkel wanneer deze een bepaald signaal krijgt. Dit zorgt voor minder energiekosten. De (ingebouwde) sensoren reageren op duisternis (schemerschakelaar) en/of op beweging (bewegingssensor).
|
Sensortype | Geen sensor |
|---|
Iedere lamp of armatuur is voorzien van energielabel A t/m G. Energielabel A is het meest efficiënt en G het minst efficiënt. LED verlichting is de meest duurzame verlichtingstechniek. Zelfs als LED's label E of lager hebben, besparen ze nog 70% aan energie ten opzichte van conventionele verlichting met hetzelfde energielabel. Dus waarom hetzelfde label? Om LED merken te motiveren nog duurzamer te worden.